M5Stack 8-Angle Unit with Potentiometer
Product Link
Description
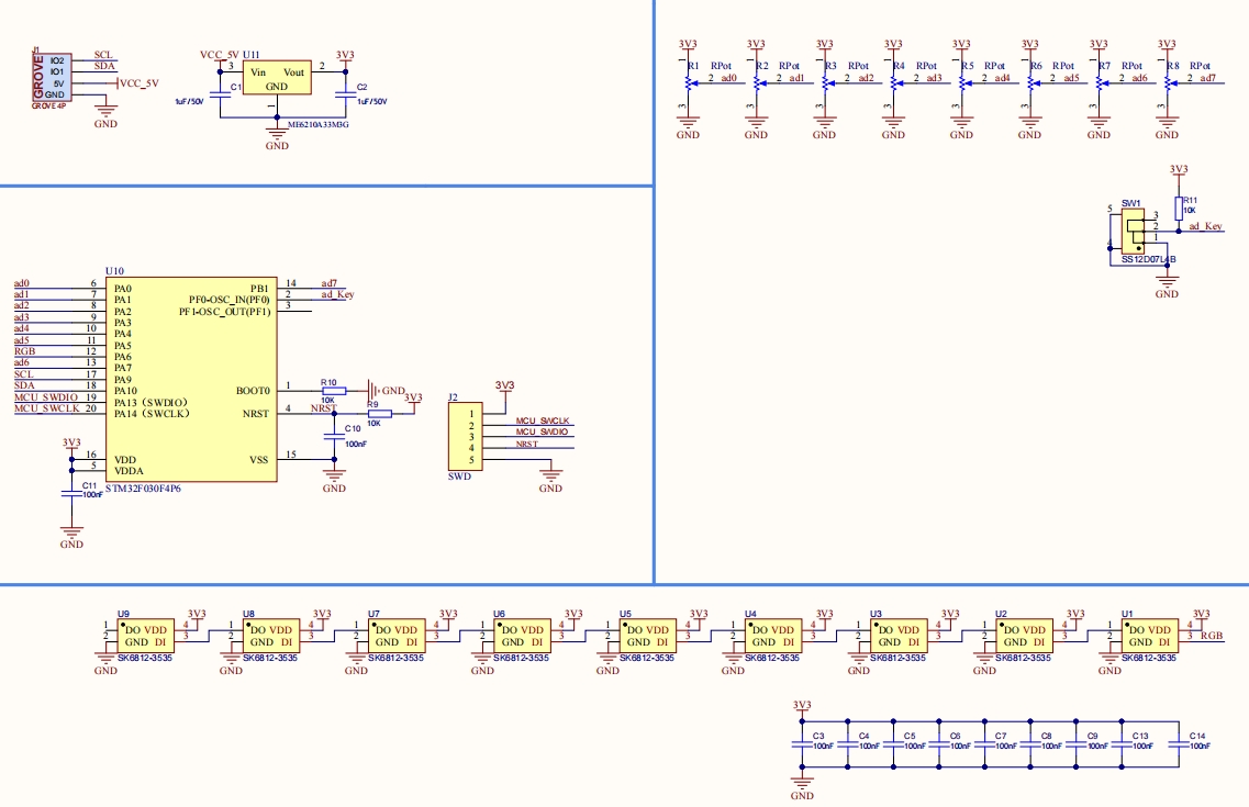
UNIT 8Angle is an input unit integrating 8 adjustable potentiometers, internal STM32F030 microcomputer as acquisition and communication processor, and the host computer adopts I2C communication interface, each adjustable potentiometer corresponds to 1 RGB LED light, and there is also a physical toggle switch and its corresponding RGB LED light, containing 5V->3V3 DCDC circuit. The unit can be used for multi-channel absolute control value input, the corresponding RGB lamp can display different states, and the toggle switch can be used for multi-channel switching input. Can be used as a multi-degree-of-freedom robot or an application in music equalization.
Features
8-channel adjustable potentiometer
8 channels correspond to RGB lights
I2C communication
Toggle switches can be used for multi-channel switching inputs
Applications
Multi-degree-of-freedom robot joint control
Music equalization control aspects
Specification
MCU
STM32F030F4P6
LDO
ME6210A33M3G
RGB
SK6812-3535
Input voltage
5v
I2C communication address
0x43
Product Size
128mm × 24mm ×22.7mm
Package Size
130mm × 27.7mm ×27.7mm
Product Weight
34.9g
Package Weight
44.3g






Related Link
Schematic

Module Size

Examples
Arduino

UIFlow

UIFlow Blocks
Init I2C address

Get ADC 12bit value

Get ADC 8bit value

Get button status

Get FW version or I2C address

Set single RGB LED color

Set multiple RGB LED color

Set I2C address

Last updated
Was this helpful?
