M5Stack RCA Audio/Video Composite Module 13.2
Product Link
Description
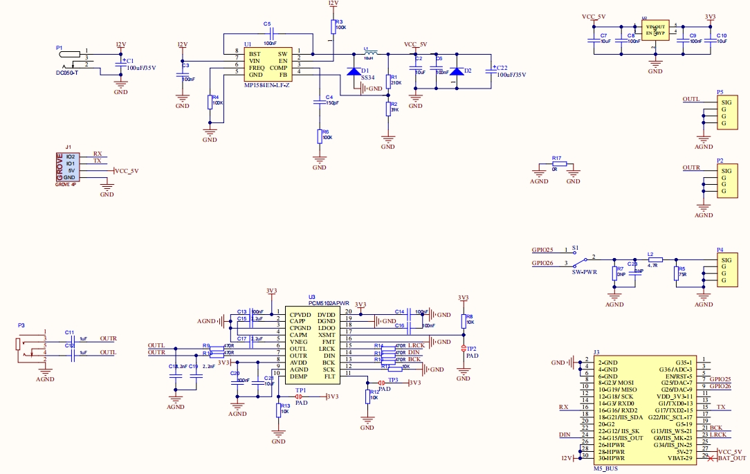
Module RCA is a composite signal expansion module for audio and video, using the common S-terminal RCA connector, divided into two (left and right channels) audio and one video output. The audio part adopts the I2S power amplifier chip PCM5102APWR scheme, which can realize 32-bit stereo audio signal output; In terms of video, the DAC analog video signal function of the main control ESP32 is applied, which can generate analog video signals with a resolution of no more than 864 x 576 (PAL, PAL_M); The module contains a DC socket and a 9-24V to 5V DCDC circuit to supply power to the whole machine. This product is suitable for audio and video equipment that drives the S-terminal interface.
Features
RCA composite video audio output(Left and right channel audio interface)
RCA female jack terminals
1 CVBS video output interface (GPIO25&GPIO26 switch between two choices)
3.5mm headphone jack audio output
Port C interface
PCM5102 audio stereo DAC
DC 9-24V to 5V Output (<5V, 3A)
Applications
RCA stereo output
Composite video and audio output
Specifications
Audio stereo DAC chip
Audio stereo DAC chip
interface
RCA female seat
channel
1 CVBS video output interface (GPIO25&GPIO26 switch between two choices)
Output signal
Audio and video (3.5mm headphone jack output optional)
DCDC
MP1584EN
Audio stereo DAC chip
PCM5102APWR
Product Size
54mm × 54mm × 19.7mm(外壳高13.2mm)
Package Size
93mm × 63mm × 25mm
Product Weight
22.5g
Package Weight
41.7g
Related Link
Schematics

Model Size

Last updated
Was this helpful?
