M5Stack Weight I2C Unit
Product Link
Description
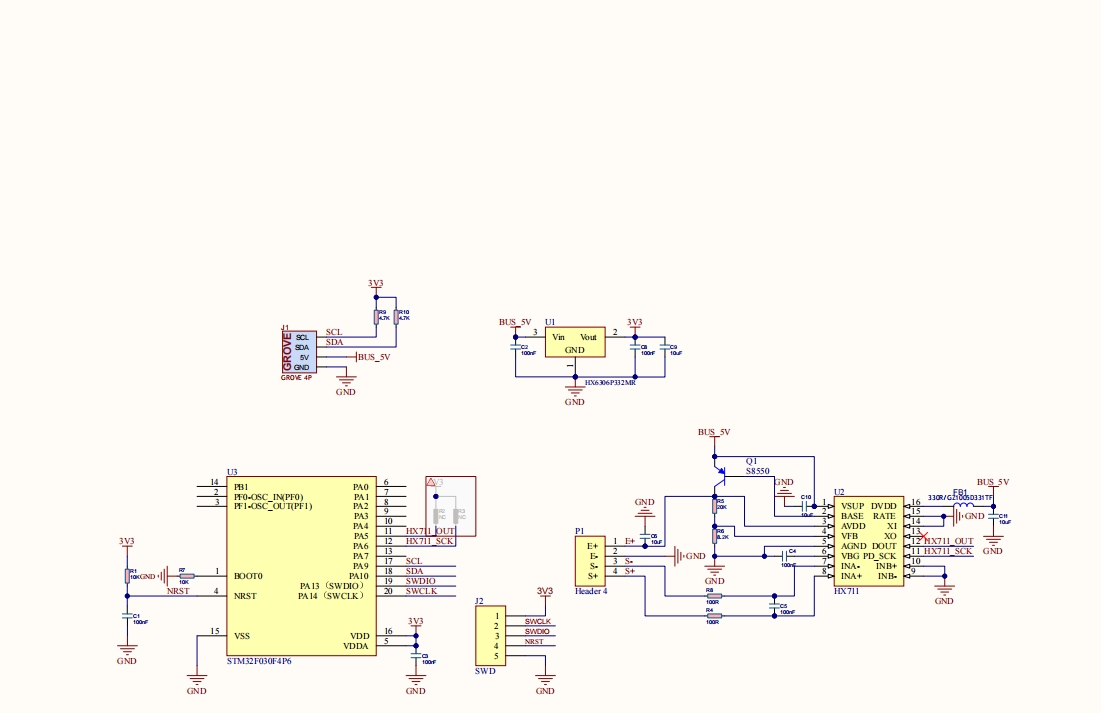
The Weight I2C Unit is a weight acquisition transducer unit that employs the "STM32+HX711 chip" solution, achieving precision weight measurement with 24-bit accuracy through I2C communication. It supports the parallel connection of multiple devices on the same I2C bus, providing users with greater flexibility in terms of a wider range and more data collection points. It is suitable for various applications such as industrial production, healthcare, logistics, laboratory research, and food processing.
Features
STM32F030F4P6+HX711
24Bit measurement accuracy
I2C serial communication
Program platform: Arduino, UIFlow, etc
Applications
Microgravimeter
Food Processing
Logistics Transportation
Laboratory Investigation
Specification
Resolution
24Bit
Communication Mode
I2C(0x26)
Operating Temperature
0-40°C
Product Size
32*24*11.3mm
Package Size
136* 92* 13.7mm
Product Weight
5.2g
Package Weight
12.9g






Schematic

Connection Schematic Diagram

PinMap

Module Size

Protocol

Compatible

Last updated
Was this helpful?
