M5Stack USB Module with MAX3421E v1.2
Product Link
Description
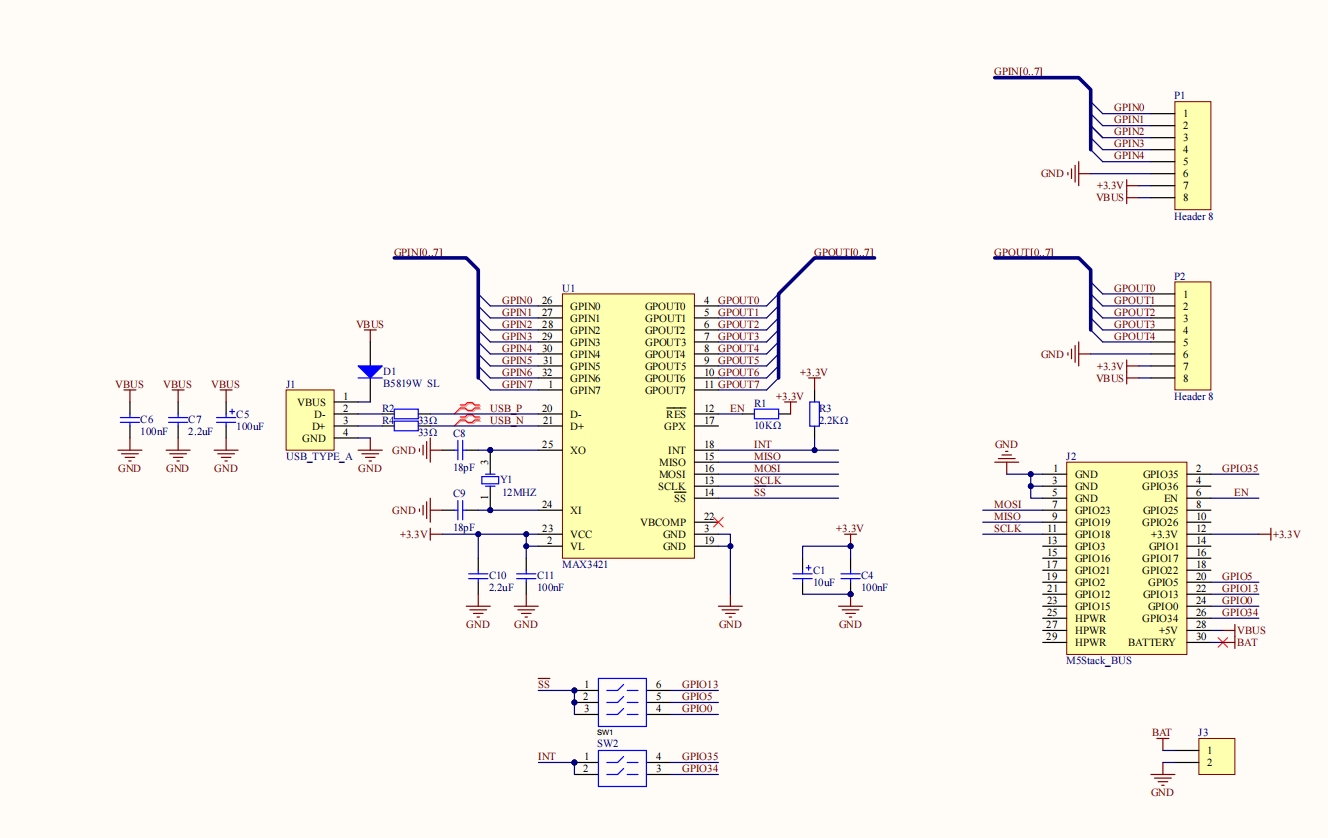
The USB v1.2 Module is a USB driver module in the M5Stack stackable module series, adopting the MAX3421E chip solution. It provides a standard USB interface, supporting both USB host and peripheral functions. It is compatible with a wide range of USB devices and operating systems, connecting to the system via SPI communication. The board is equipped with two dip switches to adapt to different M5 series hosts and reserves pins for controlling external devices or reading their status. Additionally, it features a battery holder, enhancing its flexibility and practicality. This device is suitable for smart home, industrial control, consumer electronics, medical devices, and education and research fields.
Features
Standard USB 2.0 interface
SPI communication protocol is adopted
GPIO Pin expansion (5x input, 5x output)
Lithium battery seat
Toggle the switch to adjust different hosts
Applications
USB key logger
Read and write U disk
Specification
Chip
MAX3421E
Supported USB standard
USB 2.0
Interface type
SPI
Operating temperature
0-40°C
Product Size
54.2*54.2*12.8mm
Package Size
60*57*17mm
Product Weight
13g
Package Weight
25g






Related Link
Schematic

PinMap

Module Size

Last updated
Was this helpful?
