M5Stack RS485T T-Shaped Connector
Product Link
Description
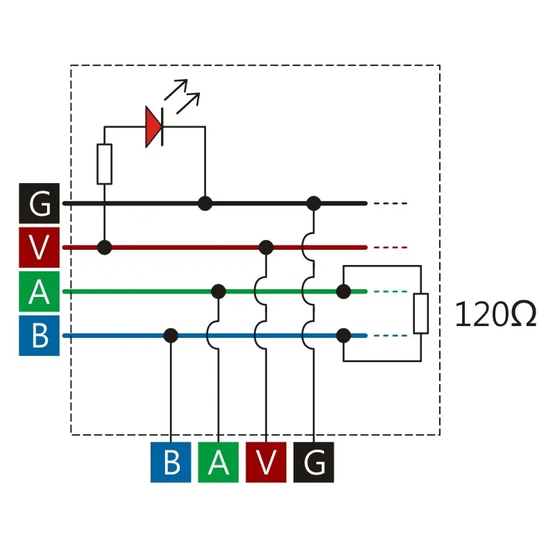
485T,This is a T-shape connector for RS485 communication, which can apply to point to point, one point to multi-point connection, plus a POWER LED for indication. The terminal connector specification is 4pin HT3.96. Many M5 products sharing this type of connector, such as PLC, Base26, HAT-RS485, etc.
Features
Interface type: 4 Pin 3.96mm terminal block
Built-in power indicator: red
Specifications
Resources
Parameter
Net weight
15g
Gross weight
24g
Product Size
56*26*17mm
Package Size
136*92*17mm
Schematics

Last updated
Was this helpful?
