M5Stack Programmable Power Supply Module 13.2
Product Link
Description
PPS Module 13.2 is a programmable power supply module. This module employs STEP-DOWN buck technology, supports a wide DC 9-36V input voltage, and integrates an STM32 control processor and AD8418 high-resolution current amplifier. Through high-precision closed-loop control, it achieves a rated output power of 100W (peak 150W) with high-precision current and voltage output, capable of delivering 0.5~30V/0~5A, with a read-back accuracy of ±30mV/5mA. Additionally, the module incorporates isolation chips CA-IS3020S and B0505S-1WR3, providing electrical isolation for both the power supply and the communication bus. The output interface uses standard 4MM banana plug sockets, with a positive and negative pole spacing of 19mm. Each module is calibrated for full-range accuracy before leaving the factory, and users will need to separately purchase a compatible DC power adapter. This module is suitable for use in scientific research experiments, industrial automation, embedded system development, and DIY projects requiring an adjustable power supply.
NOTESIf you use PPS Module 13.2, connect an external 12VDC power supply. Otherwise, the system displays a message indicating that no I2C device is available and the device does not work. The maximum output depends on the output capacity of the input DC power supply.Power detectionpower input detection interface (5-24V@5A): - USB PD power input - Relay Base power input
Features
DC 9-36V wide voltage input, output 0.5~30V/0~5A
High precision rated output power 100W (peak 150W)
With electrical isolation safety performance
Standard 4mm banana socket, positive and negative electrode spacing 19mm
Works with Core/Core2/CoreS3 series hosts
Includes
1x Module13.2-PPS
Applications
Scientific research experiment
Automation in industry
Embedded system development
Adjustable power supply DIY project
Specifications
MCU
STM32G030F6P6
Power and communication bus isolation chip
CA-IS3020S and B0505S-1WR3
Current amplifier chip
AD8418
Input voltage
DC 9-36V
Output power
100W (Peak 150W)
Output current voltage
0.5~30V/0~5A
Accuracy
±30mV/5mA
Standby current
Avg:DC36V/12mA
Working current
Avg:DC36V/32mA
Banana head size (spacing)
4MM (pitch 19mm)
I2C communication address
0x35
Operating temperature
0-40°C
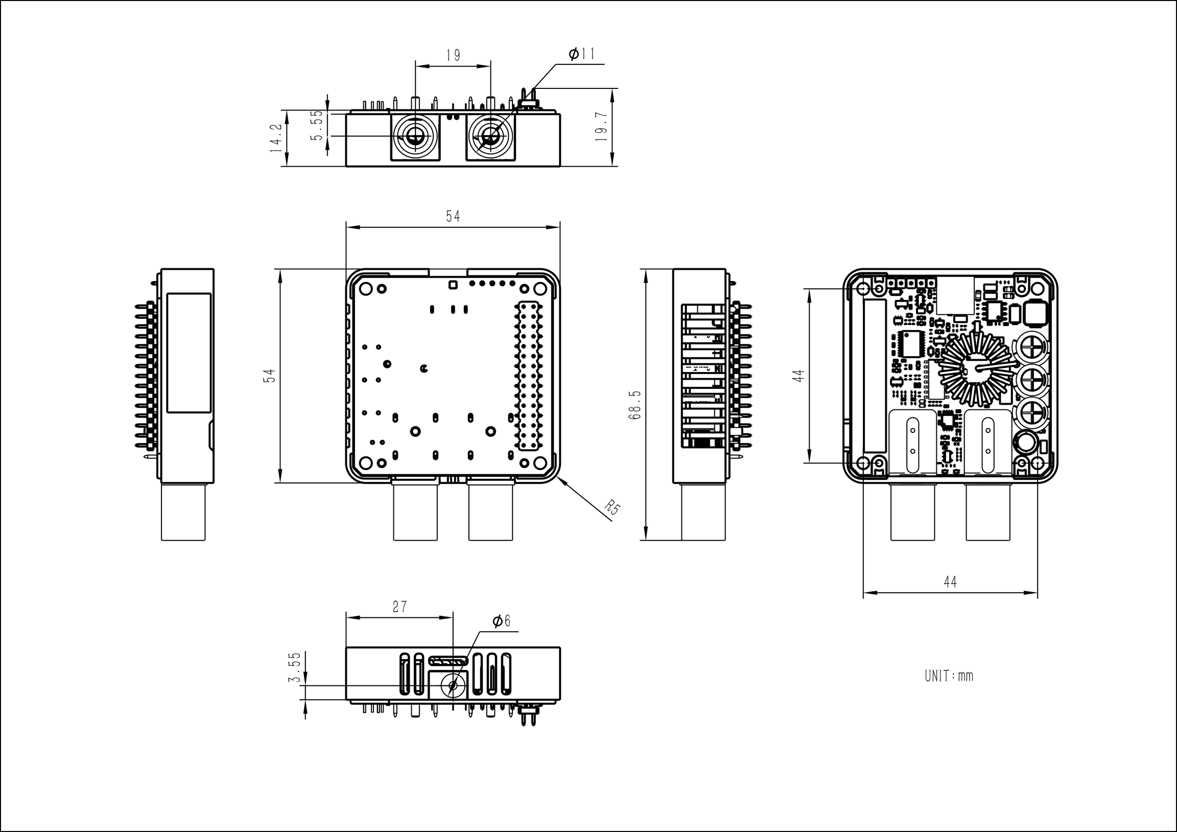
Product Size
68.5*54*19.7mm
Package Size
130*95*24mm
Product Weight
43.6g
Package Weight
64.5g
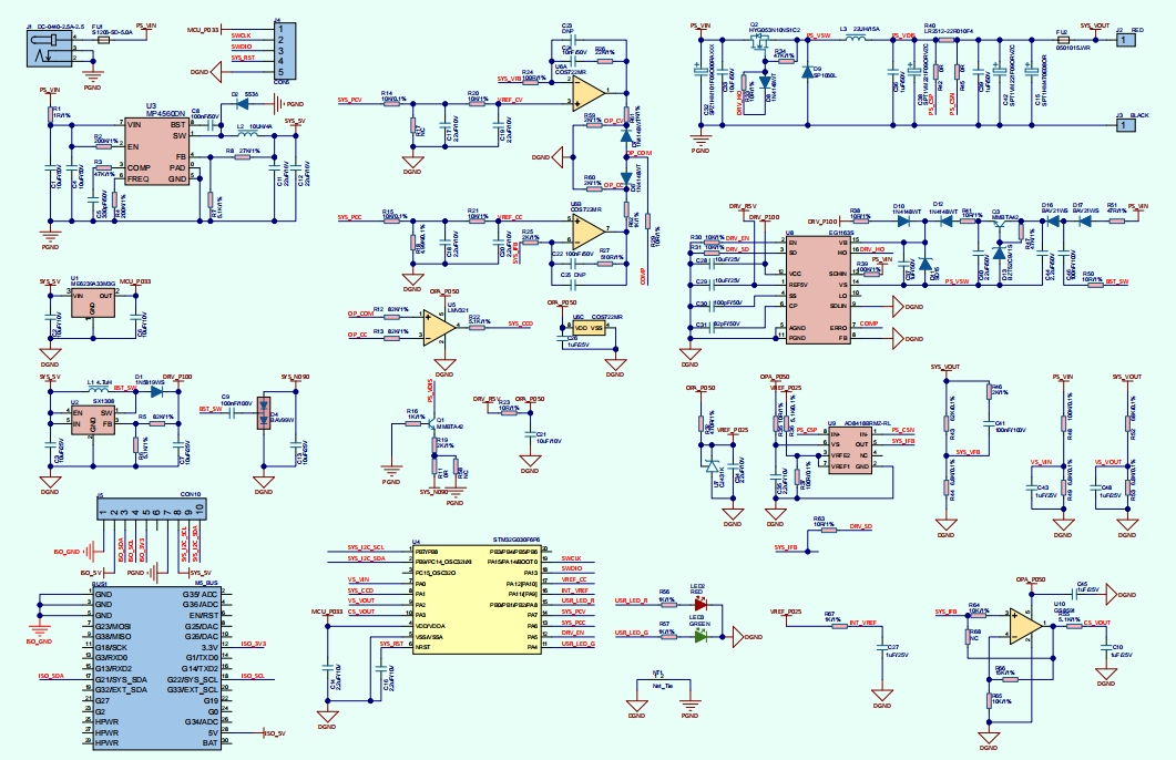
Schematics

PinMap

Model Size

Protocol

Compatible

Last updated
Was this helpful?
