M5Stack Core2 ESP32 IoT Development Kit
Product Link
Description
M5Core2 is the second generation core device in the M5Stack development kit series, which further enhances the functions of the original generation of cores.
The MCU is an ESP32 model D0WDQ6-V3 and has dual core Xtensa® 32-bit 240Mhz LX6 processors that can be controlled separately. Wi-Fi are supported as standard and it includes an on board 16MB Flash and 8MB PSRAM, USB TYPE-C interface for charging, downloading of programs and serial communication, a 2.0-inch integrated capacitive touch screen, and a built-in vibration motor.
M5Core2 also features a built-in RTC module which can provide accurate timing. The power supply is managed by an AXP192 power management chip, which can effectively control the power consumption of the base and a built-in green LED power indicator helps to notify the user of battery level. The battery capacity has been upgraded to 390mAh, which can power the core for much longer than the previous model.
The M5Core2 retains the TF-card(microSD) slot and speakers. However, in order to ensure higher quality sound output, the I2S digital audio interface power amplifier chip is used to effectively prevent signal distortion. There are independent power and reset buttons on the left side and bottom of the base.
The 3 icons on the front of the screen are capacitive buttons which are programmable. There is a small expansion board on the back of the base with a 6-axis IMU sensor and microphone. The development platform and programming language supported by M5Stack Core2: Arduino, UIFlow (using Blockly, MicroPython language) No matter what level of your development and programming skills, M5Stack will help You gradually turn your ideas into reality.
Operations: Power on: One click the power button on the left
Power off: Long press the left power button for 6 seconds
Reset: Click the RST button on the bottom side
Features
ESP32-based, built-in Wi-Fi
16M Flash,8M PSRAM
Built-in speaker, power indicator, vibration motor, RTC, I2S amplifier, capacitive touch screen, power button, reset button
TF card slot (16G Maximum size)
Built-in lithium battery, equipped with power management chip
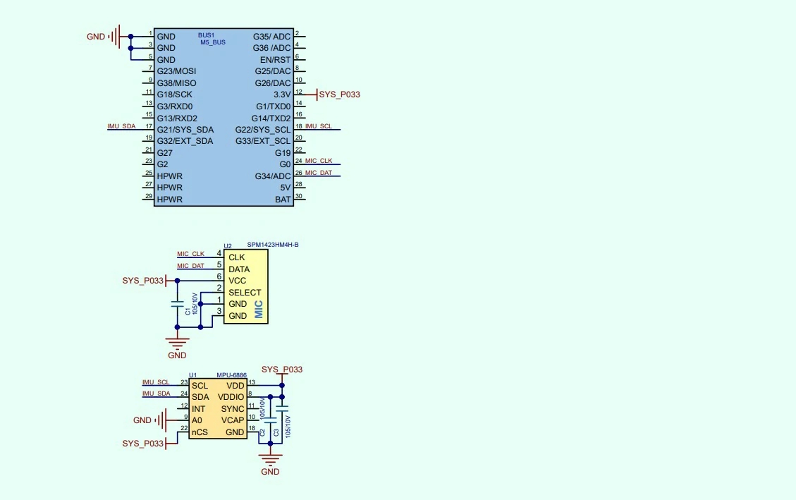
Independent small board built-in 6-axis IMU, PDM microphone
M-Bus Socket & Pins
Applications
Internet of things terminal controller
Stem education product
DIY creation
Smart home equipment
Specification
ESP32-D0WDQ6-V3
240MHz dual core, 600 DMIPS, 520KB SRAM, Wi-Fi
Flash
16MB
PSRAM
8MB
Input Voltage
5V @ 500mA
Interface
TypeC x 1, GROVE(I2C+I/0+UART) x 1
IPS LCD Screen
2.0"@320*240 ILI9342C
Touch Screen
FT6336U
Speaker
1W-092
LED
Green power indicator light
Button
Power button, RST button, Virtual screen button*3
Vibration reminder
Vibration motor
MIC
SPM1423
I2S Power Amplifier
NS4168
6-axis IMU
MPU6886
RTC
BM8563
PMU
AXP192
USB Chip
CP2104/CH9102F (two chip versions, there is no difference in function and use)
DC-DC Boost
SY7088
TF card slot
16G Max
Lithium Battery
500mAh @ 3.7V
Antenna
2.4G 3D antenna
Operating temperature
0°C to 60°C
Base screw specifications
Hexagon socket countersunk head M3
Internal PCB board reserved interface
Battery interface (specification: 1.25mm-2P) USB line interface (specification: 1.25mm-4P)
Net Weight
52g
Gross Weight
76g
Product Size
54 x 54 x 16.5mm
Package Size
75 x 60 x 20mm
Case Material
Plastic ( PC )



PinMap
LCD & TF card
LCD :320x240 TF card Maximum size 16GB
AXP192 Chip
AXP_IO4
AXP_DC3
AXP_LDO2
ILI9342C
MISO
MOSI
SCK
CS
DC
RST
BL
PWR
TF Card
MISO
MOSI
SCK
CS
CAP.TOUCH (I2C Addr: 0x38)
AXP192
AXP_IO4
FT6336U
SDA
SCL
INT
RST
Mic & NS4168(Speaker)
NS4168
BCLK
LRCK
DATA
SPK_EN
Mic
CLK
DATA
AXP Power Indicator Light
Green LED
Vcc
Vibration motor
Vcc
RTC
AXP192
AXP_PWR
BM8563
SDA
SCL
INT
IMU(3-axis gyroscope & 3-axis accelerometer)
MPU6886
SDA
SCL
USB to serial chip
CP2104/CH9102F
RXD
TXD
Internal I2C connection
MPU6886
SDA
SCL
AXP192
SDA
SCL
BM8563
SDA
SCL
FT6336U
SDA
SCL
M5Core2 M-BUS Schematic diagram

M5Core2 BUS(compared to M5Stack)

M5PORT DEFINE
PORT-A(Red)
32/33
I2C
PORT-B(Black)
26/36
DAC/AD
PORT-C(Blue)
13/14
UART
ESP32 ADC/DAC
8 channels
10 channels
2 channels
2 channels
G32-39
G0/2/4/12-15/25-27
G25
G26
Charging current measured value
0.219A
0.055A
0.147A
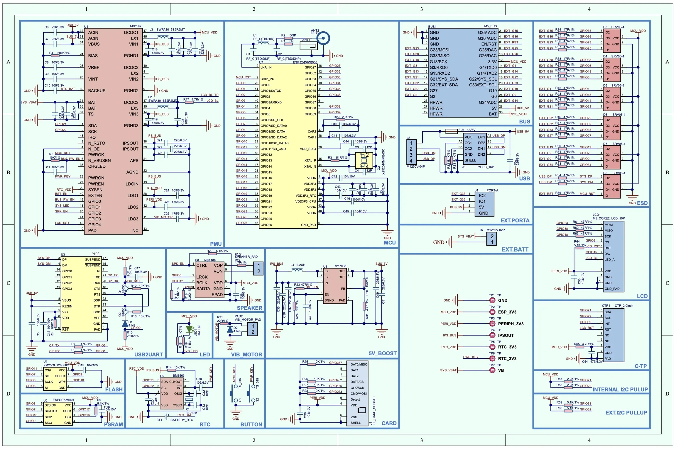
Schematic


Module Size

Last updated
Was this helpful?
