M5Stack COMMU Module Extend RS485/TTL CAN/I2C Port
Product Link
Description
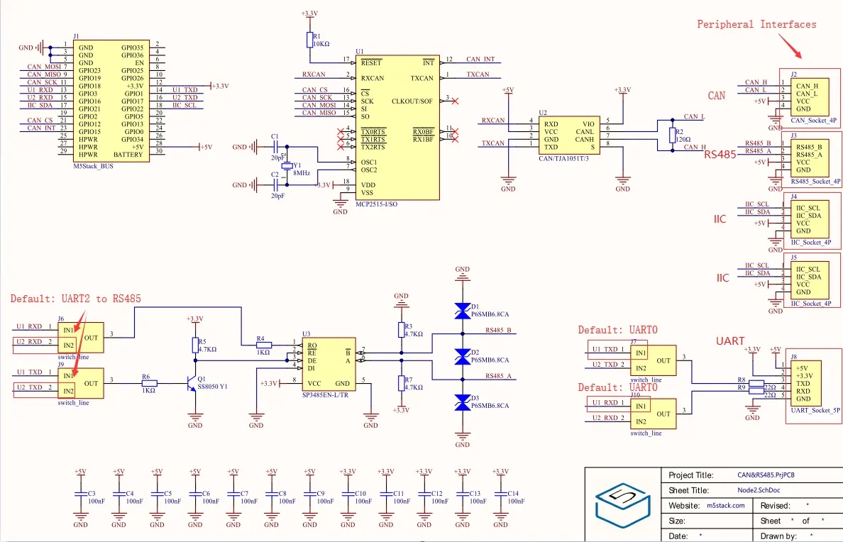
COMMU is a Multi-Communication-Interface-Converter. Integrated with 2*I2C, 1*TTL, 1*CAN, 1*RS485. Apparently COMMU has packed with most of series communications.
Default connection: TTL - UART0, RS485 - UART2. Since ESP32 pin map is allowed for re-assign, you can re-assign or re-mapping the TTL or RS485 interface to other pins.
Be care about TTL Interface. It is a UART Interface actually by default. But you can switch it to connect with UART2 after changed those jumpers(J6, J7, J9, J10).
Note: When using with the Core2, the base needs to be removed in order to burn the program properly.
Features
2x I2C Interface
1x CAN Interface
1x RS485 Interface
1x TTL Interface
CAN controller: MCP2515-1/SO
RS485 Transceiver: SP3485EN-L/TR
Specification
Interface
I2C x2, CAN x1, RS485 x1, TTL x1
CAN Controller
MCP2515-1/SO
RS485 transceiver
SP3485EN-L/TR
Net weight
13.5g
Gross weight
24g
Product Size
54.2*54.2*13mm
Package Size
133*95*16mm
Material
Plastic ( PC )
PinMap
CAN_CS
GPIO12
CAN_INT
GPIO15
CAN_SCK
GPIO18
CAN_MISO
GPIO19
CAN_MOSI
GPIO23
I2C_SDA
GPIO21
I2C_SCL
GPIO22
MBUS PinMap

Schematic

Last updated
Was this helpful?
