M5Stack M5StickC ADC Hat ADS1110 V1.1
Product Link
Description
ADC HAT V1.1 is another type of C-HAT specifically design for M5StickC controller. Same as ADC unit, this is an ADC converter component for stickc. Packed with an ADC converter chip ADS1110, which is a fully differential, 16-bit, self-calibrating, delta-sigma A/D converter. Extremely easy to design with and configure, the ADS1110 allows you to obtain precise measurements with a minimum of effort. The ADS1100 consists of a delta-sigma A/D converter core with adjustable gain, a clock generator, and an I2C interface. ADS1110 itself is able to accept a differential input from -5 ~ +5 V, but we have limited the input to 0~12V by adding on the peripheral circuit design of this IC.
Features
Input: 0-12V
Software Development Platform: Arduino, UIFlow(Blockly, Python)
ADS1110
16-bits Resolution
CONTINUOUS SELF-CALIBRATION
SINGLE-CYCLE CONVERSION
PROGRAMMABLE GAIN AMPLIFIER GAIN = 1, 2, 4, OR 8
PROGRAMMABLE DATA RATE: 15SPS to 240SPS
INTERNAL SYSTEM CLOCK
I2C INTERFACE: address 0x48
Applications
Analog Signal Capture
Specification
Net weight
6g
Gross weight
14g
Product Size
24*25*13mm
Package Size
40*42*30mm



Pin Map
ADC HAT V1.1
SDA
SCL
5V
GND
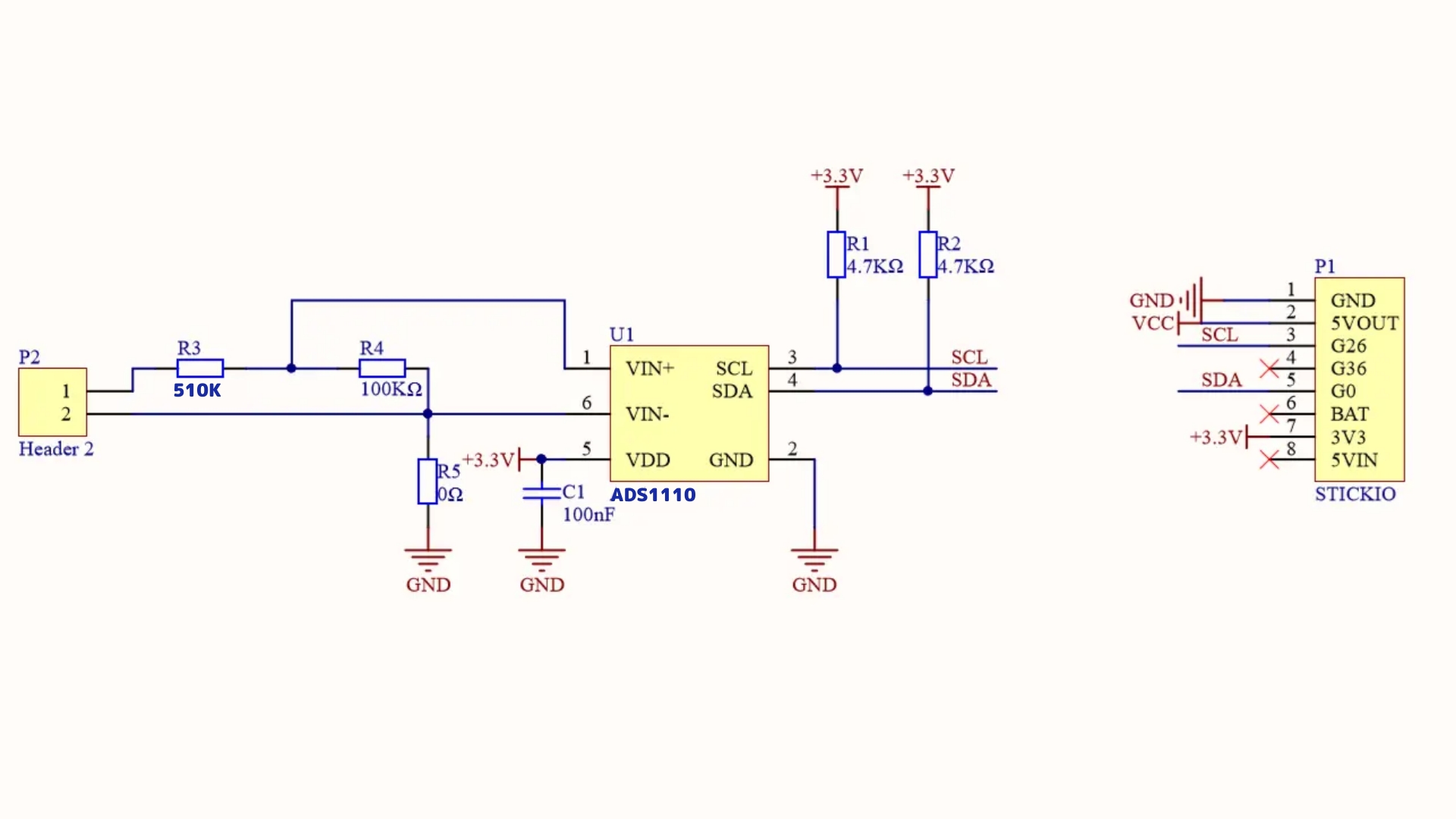
Schematic

Last updated
Was this helpful?
