M5Stack 8-Encoder Unit (STM32F030)
Product Link
Description
UNIT 8EnCoder is a set of 8 rotary encoders as one of the input unit, the internal use of STM32 single-chip microcomputer as the acquisition and communication processor, and the host computer using I2C communication interface, each rotary encoder corresponds to 1 RGB LED light, encoder in addition to left and right rotation, but also radially pressed, in addition to a physical toggle switch and its corresponding RGB LED light, including 5V->3V3 DCDC circuit. The unit can be used for the input of multi-channel relative control values, the corresponding RGB lamp can display different statuses, and the toggle switch can be used for the input of multi-channel switching quantities. It can be used as a multi-degree-of-freedom robot or music equalization application.
Features
8-channel Rotary encoder
8 channels correspond to RGB lights
I2C communication
Toggle switches can be used for multi-channel switching inputs
Radial press function
HY2.0-4P interface
2x LEGO compatible holes
Applications
Multi-degree-of-freedom robot joint control
Music equalization control aspects
Multi-channel light control
Specification
MCU
STM32F030C8T6
RGB
WS2812C-2020
Input voltage
5v
I2C communication address
0x41
Product Size
128mm × 24mm ×22.7mm
Package Size
130mm × 27.7mm ×27.7mm
Product Weight
42.8g
Package Weight
52.4g






Related Link
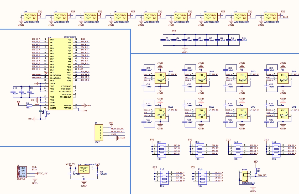
Schematic

Module Size

Examples
Arduino




UIFlow

UIFlow Blocks
Init I2C address

Get counter value

Get increment value

Get button status

Get switch status

Get device FW version or I2C address

Set counter value

Reset counter value

Set single RGB LED color

Set multiple RBG LED color

Set I2C address

Last updated
Was this helpful?
