M5Stack ESP32 Fisheye Camera Module with PSRAM (OV2640)
Product Link
Description
ESP32CAM-PSRAM is a development board for image recognition. It features an ESP32(4MB Flash + 520KB RAM + 4MB PSRAM) chip and 2-Megapixel camera (OV2640).
The module offers plenty of storage with an extra 4 Mbyte PSRAM. It also supports image transmission via Wi-Fi and debugging through USB Type-C port.
The hardware comes with preloaded software, programmed by ESP-IDF. It is an application to run Wi-Fi camera. The output image resolution is 600*800, since it's 2MP camera, you sure can optimize the software to output a better resolution image.
Using processes:
Power the board via USB type-C or GROVE
Use your phone to Wi-Fi scan an AP name start with 'm5stack-' and click to connect this AP.
Open up web browser on your phone and visit 192.168.4.1
Then here comes the picture. Video is about 5-6 frames per seconds. not super fast.
Features
CP2104 USB-to-TTL converter
ESP32-WROVER (PCB Antenna)
WIFI image transmission
OV2640 Camera
Camera Field of View : 150 degree
Applications
DIY
Time-lapse photography
IoT monitoring
Specifications
Flash/RAM
4MB/500K
PSRAM
4M PSRAM
Image Sensor
OV2640
Maximum resolution
2M pixel
Output format
YUV(422/420)/YCbCr422,RGB565/555,8-bit compressed data,8-/10-bit Raw RGB data
FOV
150°
CCD Size
1/4 inch
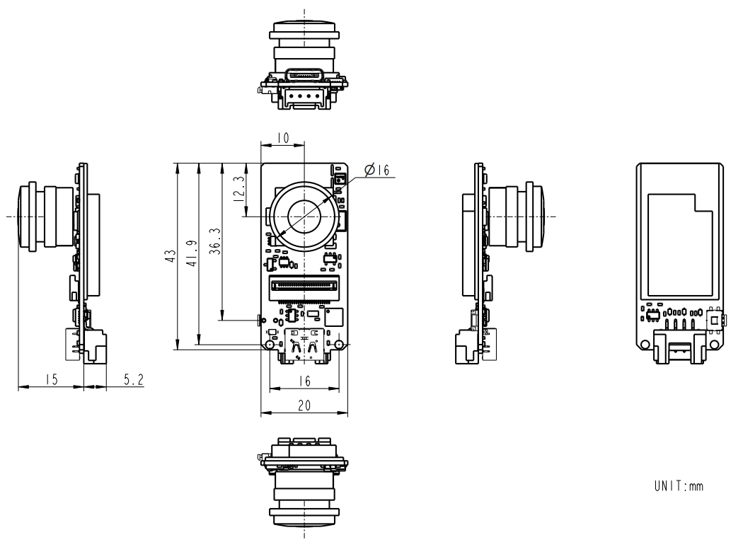
Product Size
47*20*10mm
Package Size
136* 92* 13mm
Product Weight
9.4g
Package Weight
11.8g
PinMap
Camera Interface PinMap
SCCB Clock
SIOC
IO23
SCCB Data
SIOD
IO22
System Clock
XCLK
IO27
Vertical Sync
VSYNC
IO25
Horizontal Reference
HREF
IO26
Pixel Clock
PCLK
IO21
Pixel Data Bit 0
D2
IO32
Pixel Data Bit 1
D3
IO35
Pixel Data Bit 2
D4
IO34
Pixel Data Bit 3
D5
IO5
Pixel Data Bit 4
D6
IO39
Pixel Data Bit 5
D7
IO18
Pixel Data Bit 6
D8
IO36
Pixel Data Bit 7
D9
IO19
Camera Reset
RESET
IO15
Camera Power Down
PWDN
*see Note 1*
Power Supply 3.3V
3V3
3V3
Ground
GND
GND
GROVE Interface
SCL
IO13
SDA
IO4
5V
5V
GND
GND
LED Interface
LED_Pin
IO14
NOTE:
Camera Power Down pin does not need to be connected to ESP32 GPIO. Instead it may be pulled down to ground with 10 kOhm resistor.
Datasheets
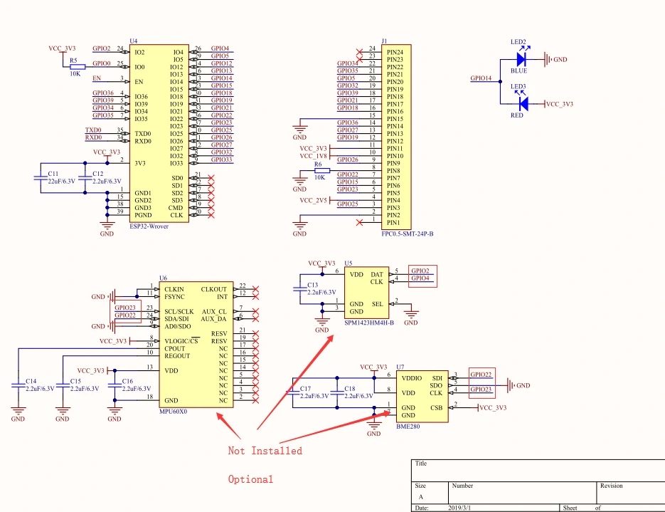
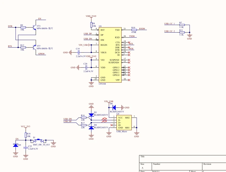
Schematics
Power circuit

Chip peripheral circuit

USB to serial port part of the circuit

Model Size

Last updated
Was this helpful?
