M5Stack LoRa Module (433MHz) v1.1
Product Link
Description
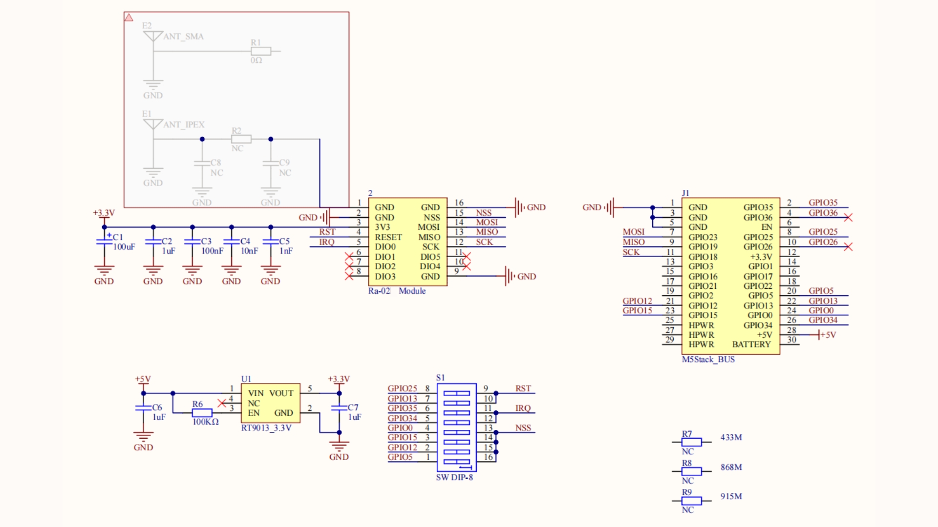
The LoRa433_V1.1 Module is a part of the M5Stack stackable module series and is a LoRa communication module operating at a frequency of 433MHz, utilizing the Ra-02 module (SX1278 chip) solution. This module comes with a default external SMA antenna and also features two additional patch MCX pad interfaces, allowing users to switch between different types of antennas based on their needs. Additionally, the module is equipped with a dip switch, enabling users to easily switch between different communication pins. It supports multiple stackable uses simultaneously, offering more customization and flexibility. It is suitable for remote monitoring, smart cities, home and industrial automation, IoT devices, and more.
Features
Serial communication protocol: SPI
Operating frequency:410MHz~525MHz
Supports FSK,GFSK,MSK,GMSK,LoRa™ and OOK modulation modes
Reception sensitivity: as low as -140 dBm
Programmable bit rate up to 300Kbps
External antenna interface
Built-in dip switch toggle pin
Development platform: Arduino, Micropython, UIFlow(Blockly)
Applications
Remote Control
Intelligent city
Home and industrial automation
Internet of Things (IoT) devices
Specification
Spectral range
410MHz~525MHz
Communication interface
SPI
Programmable bit rate
Up to 300kbps
Antenna
Glue stick antenna @2.5dBi total length 110mm SMA inner needle
Operating temperature
0-40°C
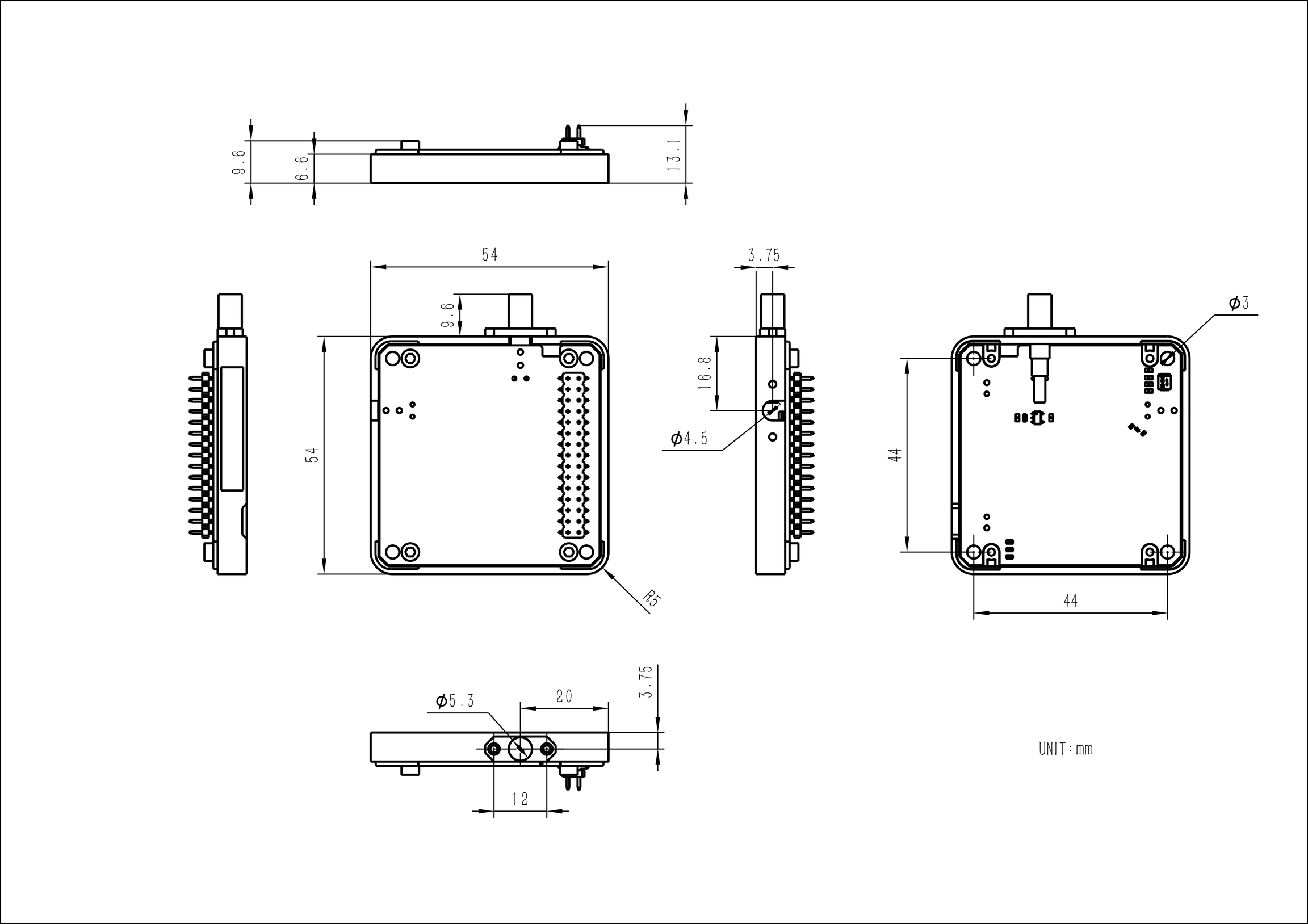
Product Size
54*54*13.1mm
Package Size
92*63*25mm
Product Weight
16.1g
Package Weight
44.6g






Related Link
Schematic

Pinout

Dimensions

Examples
Arduino
Version Change
/
Product Released LoRa433(SKU:M005)
/
2024.05.17
LoRa868_V1.1(SKU:M005_V11)
Compared with the previous version, the dip switch is added, which can switch different communication pins, suitable for M5Core\M5Core2\M5CoreS3 generation host, and can also be used for multiple stacks


Last updated
Was this helpful?
