M5Stack M5StickC 8-Channel Servo Driver HAT
Product Link
Description
8Servos HAT v1.1 is an 8-channel servo driver module that works with the M5StickC/C Plus series. Adopt STM32F030F4 as main controller to drive servos with PWM (Pulse Width Modulation) signal. I2C communication. Embedded power management circuit to control servo ON/OFF with programming. With the rechargeable 16340 lithium battery (with the capacity of 700mAh),It also supports 18350 lithium batteries, it can support Maximum 1.3A load. Applied for robotic and DIY projects.
Product Comparison
Motor power control
/
MOS tube control power on/off
Reverse Battery Protection
/
With circuit protection
Fixing hole
/
4x fixing holes
Programmable RGB LEDs
SK6812
/
I2C ADDR
0x38
0x36
Features
8-channel servo driver
Programmable servo power control
16340 lithium battery
I2C protocol control (0x36)
Reverse Battery Protection
Applications
Servo controller
Robot control
Specifications
Lithium Battery
Specifications: 16340, Capacity: 700mAh
Servo drive channel
8-channel
Maximum drive load capacity
8-channel maximum load capacity: [email protected]
Driver no-load standby current
Fixing hole
M3
Communication Protocol
I2C:0x36
Net weight
28.3g
Gross weight
39.7g
Product Size
52*38*19mm
Package Size
75*46*29mm
Pin Mapping
8Servos HAT v1.1
SDA
SCL
Vin
GND
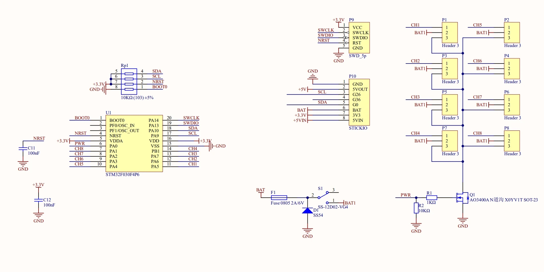
Schematics

Last updated
Was this helpful?
