M5Stack M5Stamp C3U Mate with Pin Headers
Product Link
Description
The newly M5Stamp C3U featuring ESPRESSIF ESP32-C3 RISC-V MCU, with Wi-Fi 5 (LE) connectivity, applicable for home appliances and Industrial Automation. By combining RSA-3072-based secure boot and the AES-128-XTS-based flash encryption. The compact size and powerful functions, make it applicable for multiple IoT scenarios.
The M5Stamp C3U is based on 32-bit RISC-V micro controller, and operates at a maximum clock frequency of 160 MHz. With 400 KB of internal RAM and 4 MB Flash, it can facilitate many different use cases, involving connected devices. The M5Stamp C3U provides, Furthermore, the exceptional heat resistance plastic enclosure is sustained at a higher operating temperature.
Features
MULTIPLE STYLE:
Three types soldering options are available (SMT, DIP, fly wire);
High-temperature resistant plastic enclosure, Peak temperature = 230℃;
HIGH INTEGRATION:
M5Stamp C3 contains 5V->3.3V DC/DC design, GPIOx14;
USB Type C port;
Programmable RGB LED x1, Reset button x1, button x1;
3D antenna, providing stable and reliable wireless communication.
DEVELOPMENT PLATFORM:
Arduino, ESP32-IDF (UIFlow support coming soon)
Application
DIY, Prototyping
Industrial Automation
Smart Home
Wearable Devices
Medical Devices
Consumer Electronics
Specifications
ESP32-C3
32bit RISC-V single-core processor, clocked at 160 MHz
Storage
384KB ROM, 400KB SRAM, 8KB RTC SRAM, 4MB FLASH
Wi-Fi
2.4 GHz band supports 20 MHz and 40 MHz bandwidth, IEEE 802.11 b/g/n protocol, data rate up to 150 Mbps
Input voltage
5V @ 500mA
HMI
Programmable physical button x 1, reset debugging button x 1, programmable RGB LED (SK6812) x 1
USB interface
TypeC x1
Antenna Type
2.4G 3D Antenna
Module peripheral interface resources
ADC, GPIO, SPI, UART, I2C, I2S, PWM, RMT, DMA, USB serial port, TWAI
IO interface x14
G0, G1, G3, G4, G5, G6, G7, G8, G9, G10, G18, G19, G21, G22
IO interface spacing
2.54mm
Fixing screw specifications
M2*4 countersunk head hexagon socket mechanical teeth
Net weight
3.8g
Product size
34 * 20 * 4.6mm
Packing size
85*55mm sealing bag (translucent)



product comparison
STAMP-C3
ESP32-C3
13
G3
CH9102
Download / Serial
STAMP-C3U
ESP32-C3
14
G9
/
Download / JTAG / CDC Serial
PinMap

SK6812 (RGB LED) and Button
SK6812
DI
/
Button
/
SW
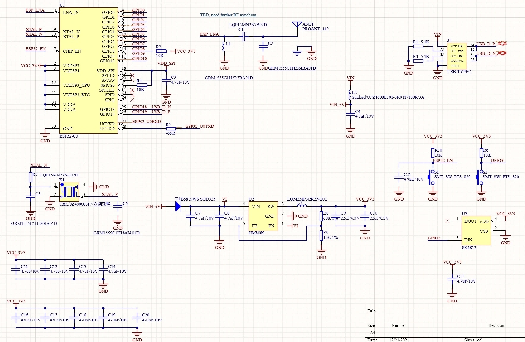
Schematic

Module size

Last updated
Was this helpful?
