M5Stack BugC2 w/ M5StickC PLUS2
Product Link
Description
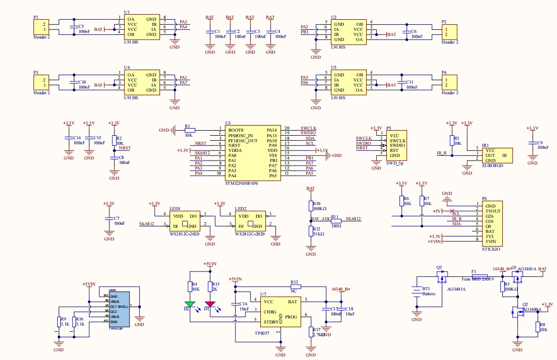
BugC2 is a programmable robot base compatible with the M5StickC series controllers. This base integrates four L9110S motor drivers and DC gear motors, utilizes the STM32F030F4 as its core control chip, and comes equipped with two flexible programmable RGB LEDs, an infrared encoder, and a dedicated battery holder. Through its top slot, BugC2 can closely connect with the M5StickC controller, precisely receiving control commands via the I2C protocol (address 0x38). Beyond providing basic mobility capabilities, BugC2 also features a Type-C charging port, battery reverse connection protection, and voltage detection for enhanced safety and convenience. Its built-in 700mAh 16340 rechargeable lithium battery ensures long-lasting battery life, making it a multifunctional and efficient programmable robot platform suitable for various educational and innovative applications.
Features
Programmable robot
Remote control
Four-way motor driver (L9110S)
2xRGB LED
Infrared remote control decoding
Battery voltage detection
Onboard Typec port battery charging
Battery anti-reverse connection
Applications
Remote motor control
Robot control
Intelligent toy
Specifications
Motor drive
L9110S
Infrared receiver
SL0038GD
RGB
WS2812C-2020
Battery capacity
700(specification:16340)
Standby current
Avg:DC4.2V/20.8uA
2orking current
Avg:DC4.2V/285.1mA
IR detection distance(StickC Plus2)
Infrared emission distance (linear distance) at 180° : 560CM Infrared emission distance at 90° : 400CM
Operating temperature
0-40°C
Product Size
55*40*25mm
Package Size
71.7*70*58mm
Product Weight
74,5g
Package Weight
87.9g
Schematics

PinMap
Motor1(left front)
1B
1A
Motor2(Left Rear)
1B
1A
Motor3(Right Rear)
1A
1B
Motor4(Right front)
1A
1B
BAT_Detect(WS2812)
BAT_ADC/RGB
IR(SL0038GD)
IR_R
Protocol

Last updated
Was this helpful?
