M5Stack IoT Base with CAT-M Module
Product Link
Description
IoT BASE Cat-M is a functional base designed for IoT data transmission. The internal 'SIM7080G' module supports both 'CAT-M' and 'NB-IoT' modes with global coverage. This functional base includes I2C + UART + GPIO + RS485 + Battery-power ports, with rich expansion options. As well to support common industrial protocols such as Modbus. Suitable for remote control, remote monitoring, remote medical applications.
Features
Module Solution: SIM7080G
Cat-M & NB-IoT modes with Global Coverage
UART interface/ AT command control
Global version/ multi-band support
Card slot: MicroSIM
Antenna: external
SMAantennaModule certifications: Softbank/Telec/RoHS/REACH/JATE/Docomo/KDDI/RCM/CE(RED)/GCF
Deutsche Telekom/FCC/PTCRB/AT&T/Verizon/T-Mobile/US Cellular/IC
IoT Base expansion ports:
1x PWR485 (RS485 + DC12V INPUT)
1x DC power jack
1x I2C
1x GPIO
1x UART
1x Battery Expansion Interface
Applications
Remote Control/Data Collection
Data transmission
Specifications
Communication module
SIM7080G, communication interface: UART baud 115200 8N1
Support CAT-M band
B1/B2/B3/B4/B5/B8/B12/B13/B14/B18/B19/B20/B25/B26 /B27/B28/B66/B85
Support CAT-NB frequency band
B1/B2/B3/B4/B5/B8/B12/B13/B18/B19/B20/B25/B26/B28 /B66/B71/B85
Cat-M uplink and downlink speed
Uplink: 1119Kbps Downlink: 589Kbps
NB-IoT uplink and downlink speed
Uplink: 150Kbps Downlink: 136Kbps
RF Power Class
Class 5 (Typ. 21dbm)
Card slot specifications
MicroSIM
Support protocol:
TCP/UDP/HTTP/HTTPS/TLS/DTLS/PING/LWM2M/COAP/MQTT and other communication protocols
Working current
42mA (DC interface 12V input, when the device is connected to the network)
Interface specifications
I2C/GPIO/UART(HY2.0-4P) RS485(VH-3.96-4P) DC interface (round hole DC-IN-TH_DC-0440-2.5A-2.0) Lithium battery interface (VH-3.96-2P)
Net weight (module)
29.4g
Gross weight
153.6g
Product size
80 * 54 * 33mm
Packing size
98 * 106 * 57mm
PinMap
SIM7080G
SIM7080G
RX
TX
PWR
VCC
GND
RS485
RS485
TX
RX
VIN
GND
HY2.0-4P
I2C PORT
SDA
SCL
VCC
GND
GPIO PORT
ADC
DAC
VCC
GND
UART PORT
TX
RX
VCC
GND
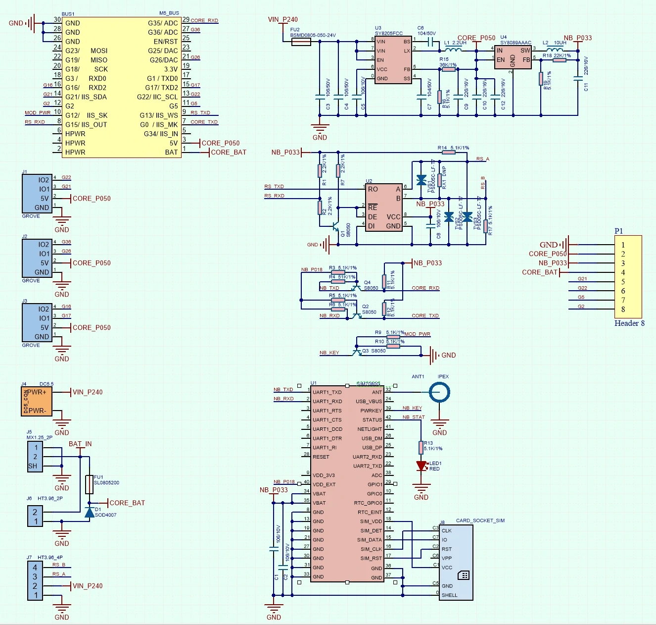
Schematics

Last updated
Was this helpful?
