M5Stack I2C Joystick Unit V1.1
Product Link
Description
Joystick is a joystick control input unit, adopts I2C communication interface, supports three-axis control signal input (X/Y-axis offset analog input, Z-axis key digital input). Suitable for application scenarios such as games/robot control.
Features
Three-axis input:
X/Y axis offset analog input
Z-axis key digital input
2x LEGO compatible holes
Development platform: Arduino, UIFlow(Blockly, Python)
Applications
Game Controller
Robot remote control
Specifications
MCU
MEGA8A
Communication protocol
I2C: 0x52
X, Y axis offset output value
0-255
Z axis button output value
0/1
Net weight
11g
Gross weight
27g
Product size
48 * 24 * 32mm
Packing size
75 * 45 * 30mm
PinMap
JOYSTICK
JOYSTICK
SDA
SCL
VCC
GND
Protocol
Protocol type I2C
I2C Address: 0x52
JOYSTICK REG 0x52
0x52
3
Read joystick status
[0] X VALUE [1] Y VALUE [2] BTN STATUS
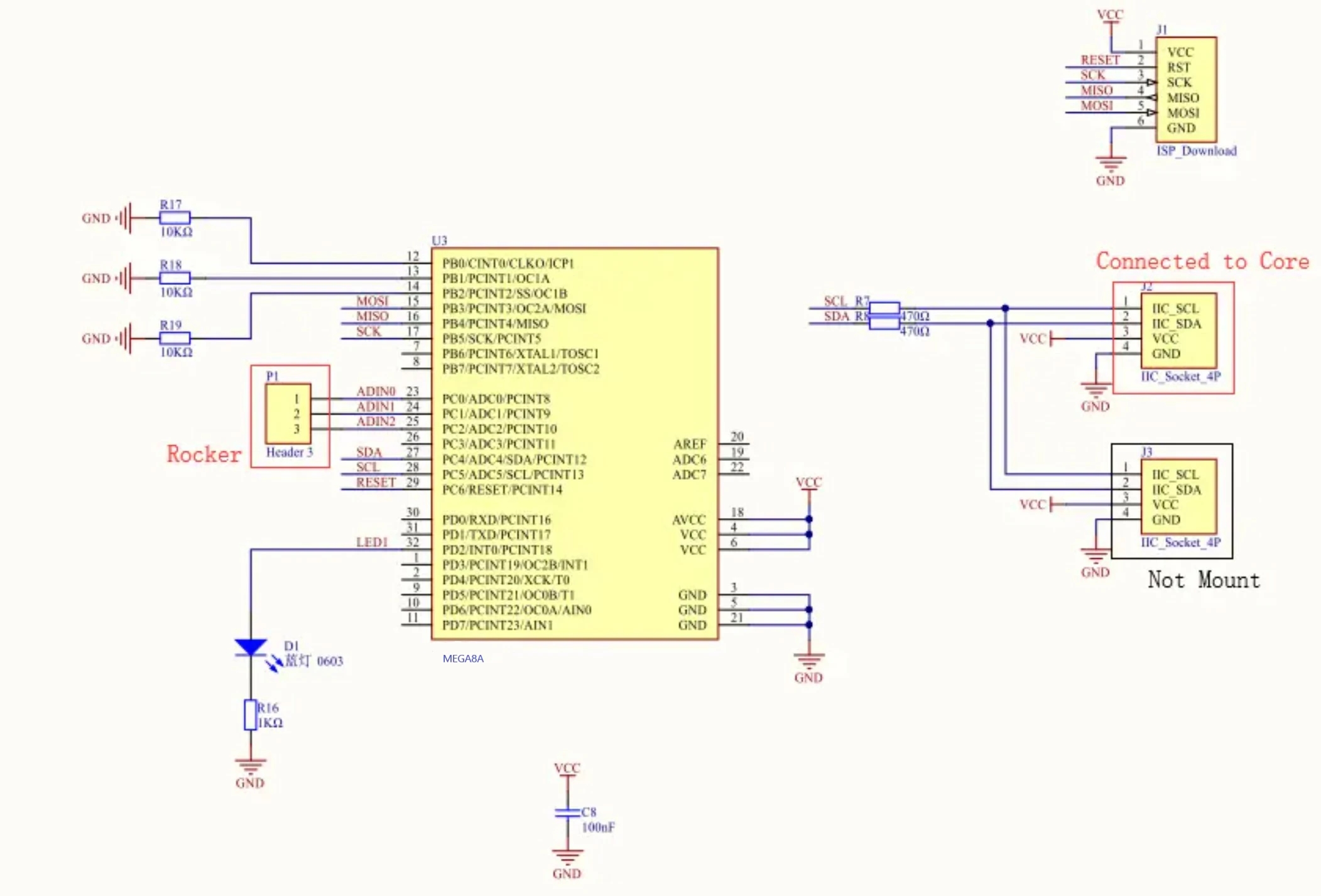
Schematic

Compatible

Last updated
Was this helpful?
