M5Stack M5Stamp ESP32S3 Module
Product Link
Description
STAMPS3 is a highly integrated embedded controller designed for IoT applications. It utilizes the Espressif ESP32-S3FN8 main control chip and features 8MB of SPI flash memory. Powered by a high-performance Xtensa 32-bit LX7 dual-core processor, STAMPS3 delivers impressive processing power with a main frequency of up to 240MHz. This module is specifically designed to meet the demands of IoT projects that require embedded main control modules.
STAMPS3 comes equipped with a built-in highly integrated 5V to 3.3V circuit, ensuring stable power supply for reliable operation. It features an RGB status indicator and a programmable button for enhanced user control and visual feedback. The module conveniently leads out 23 GPIOs on the ESP32-S3, allowing for extensive expansion capabilities. The GPIOs are accessible through 1.27mm/2.54mm spacing leads, supporting various usage methods such as SMT, DIP row, and jump wire connections. STAMPS3 offers a compact form factor, delivering strong performance, rich expansion IO, and low power consumption.
STAMPS3 is the ideal choice for IoT application scenarios that require the integration of embedded controllers. Its compact volume and powerful features make it suitable for a wide range of projects, providing reliable performance and flexible expansion options.
Features
ESP32-S3FN8(2.4GHz Wi-Fi)
Minimal system board
Multi-IO lead-out, support multiple application forms (SMT, DIP, flying wire)
Integrated programmable RGB LEDs and buttons
Support UIFlow graphical programming
Applications
Smart home
Wearables
Medical equipment
Specification
MCU
ESP32-S3FN8
DCDC
Highly integrated MUN3CAD01-SC
Flash
8MB
Input voltage
5V
Interactive
Programmable physical buttons x 1, programmable RGB LED (WS2812B-2020) x 1
Antenna type
2.4G 3D antenna
Module resource interface
Touch sensor, SD/SDIO/MMC master controller, SPI, SDIO/SPI slave controller, EMAC, motor PWM, LED PWM, UART, I2C, I2S, GPIO, pulse counter
IO interface x23
G0/G1/G2/G3/G4/G5/G6/G7/G8/G9/G10/G11/G12/G13/G14/G15/G39/G40/G41/G42/G43/G44/G46
Connection method
SMT/DIP (pitch 2.54mm and 1.27mm)/Jump Wire
IO interface spacing
2.54mm和1.27mm
lcd interface spacing
0.5mm@12pin or 8pin
Operating temperature
0°C to 40°C
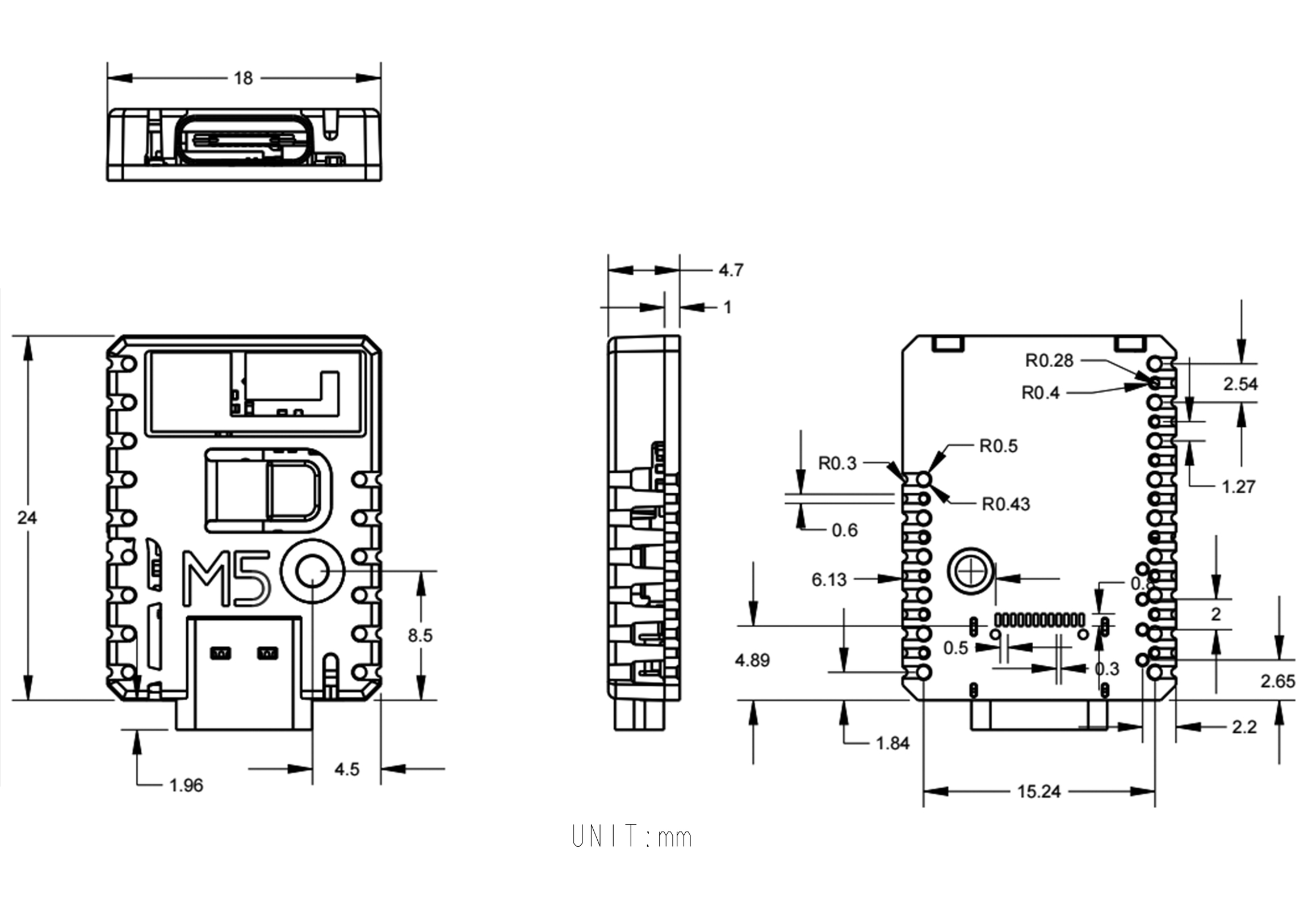
Product Size
26mm × 18mm × 4.6mm
Package Size
136mm × 92mm × 13mm
Product Weight
3.2g
Package Weight
7.5g






Related Link
Schematic

Bottom of PCB reserved TFT screen SPI interface,FPC connector check 8PIN 和 12PIN specification。
PCB package
Module Size

Examples
Arduino

Compare

Last updated
Was this helpful?
