M5Stack GRBL Module 13.2 Stepmotor Driver
Product Link
Description
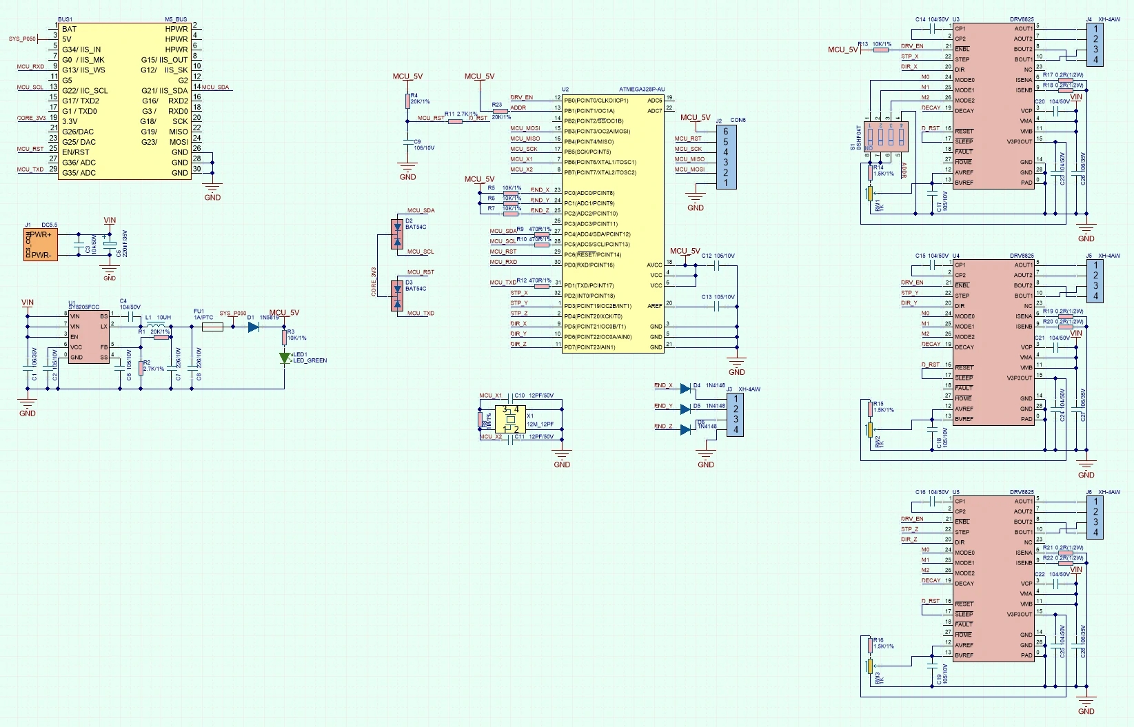
GRBL 13.2 is a three-axis stepper motor driver module in the M5Stack stacking module series. It uses an ATmega328P-AU controller with three sets of DRV8825PWPR stepper motor driver chip control ways, which can drive three bipolar steppers at the same time.
Using the I2C communication interface (default address:0x70) and integrated DIP switch for adjusting motor step subdivision (maximum support of 1/32 step subdivision) and I2C address adjustment (support dual address adjustment 0x70, 0x71), You can achieve six-axis control by stacking two GRBL 13.2 modules.
The power input interface is DC/9-24V, the motor drive current can reach 1.5A, and three sets of limit switch signal interfaces are open, which can be used to connect an external limit switch (active low) to realize the motor braking function. Suitable for a variety of stepping motor motion control scenarios, such as printers, robotic arms, etc.
Features
- ATmega328P-AU controller 
- Three-axis DRV8825PWPR stepper motor driver 
- Drive current up to 1.5A 
- Drive bipolar stepper motor 
- Maximum 1/32 mode STEP subdivision 
- Limit switch interface (active low) 
Applications
- Printer 
- scanner 
- Office automation machine 
- Factory automation 
- robot technology 
Specifications
Motor driver chip
DRV8825PWPR
Controller chip
ATmega328P-AU
Maximum drive current of single channel
1.5A
Support maximum step subdivision
1/32
Interface
XT2.54-4P
Net weight
22.5g
Gross weight
42.3g
Product size
54.2*54.2*13.2mm
Package size
95*65*25mm
Related Link
PinMap
GRBL 13.2
SDA
SCL
VCC
GND
Schematics


Step subdivision adjustment
0
0
0
Full step (2-phase excitation) with 71% current
0
0
1
1/2 step (1-2 phase excitation)
0
1
0
1/4 step (W1-2 phase excitation)
0
1
1
1/8 step
1
0
0
1/16 step
1
0
1
1/32 step
1
1
0
1/32 step
1
1
1
1/32 step
I2C address adjustment
0
0x70
1
0x71
Last updated
Was this helpful?

