M5Stack ESP32 Core Ink Development Kit
Product Link
Description
CoreInk is a brand new E-ink display in the M5Stack cores range. Controlled by the ESP32-PICO-D4 This new device includes a 200x200 1.54" Black and White E-ink Display. Compared to a regular LCD,E-ink displays are easier on the eyes, which makes them a great choice for reading or viewing for longer periods. Other benefits are the low power consumption and the ability to retain the image even if power to the display is terminated。For control the CoreInk integrates an multi-function button,A physical button, integrated status LED and buzzer.The device also includes a 390mAh lithium polymer battery,RTC(BM8563)for controlling accurate timing and deep sleep functionality. CoreInk features independent reset and power buttons,expansion ports(HY2.0-4P,M-BUS,HAT expansion)for attaching external sensors to expand functionality,for unlimited possibilities。
Precautions |Please avoid long-time high-frequency refresh when using it. The recommended refresh interval is (15s/time). Do not expose to ultraviolet rays for a long time, otherwise it may cause irreversible damage to the ink screen. The low-power power management solution adopted by CoreInk is different from that of CORE and StickC devices. When in use, the PWR button is used as a power-on button(long press 2s). If you need to shut down the device, you need to use the software API or press the reset button on the back.
Features
ESP32 Standard wireless functions Wi-Fi
Internal 4M Flash
Low Power Display
180 degree viewing angle
Expansion ports
Built-in Magnet
Internal Battery
Expandable
Application
IoT Terminal
E-Book
Industrial Control Panel
Electronic Tag
Specification
ESP32-PICO-D4
240MHz dual core, 600 DMIPS, 520KB SRAM, Wi-Fi
Flash
4MB Flash
Input Voltage
5V @ 500mA
Ports
TypeC*1, HY2.0-4P*1 , M-BUS Female Connector,Pin Array/ Hat Expansion
Screen
GDEW0154M09 | SPI Port | 200*[email protected]" | Dpi:184 | 1-bit Black & White(Grayscale:2) \ Viewing Area(mm):27.6x27.6 | Dot pitch(mm) 0.138x0.138 | Refresh Time(s) 0.82 /Partial refresh(s) 0.24
Physical Buttons
Programmable *1 , Reset *1, Power *1
LED
Green LED x 1
RTC
BM8563
Buzzer
Passive Buzzer*1
Wifi
2.4G 3D Antenna
PINS
G25, G26, G36, G23, G34, G18, G21, G22, G14, G13
Battery
Working Temp
0°C to 60°C
Net Weight
32g
Gross Weight
55g
Dimensions
56*40*16mm
Package Size
82*46*20mm
Case Material
Plastic ( PC )
Pin Map
E-Ink Display
Screen Resolution:200x200
GDEW0154M09
BUSY
RST
D/C
CS
SCK
MOSI
Multi-function button & Physical Button & LED & Buzzer
Multi-function button
Left position
Button press
Right position
/
/
/
/
Physical Button
/
/
/
Physical Button
/
/
/
LED
/
/
/
/
LED
/
/
Buzzer
/
/
/
/
/
Buzzer
/
Power Control
/
/
/
/
/
/
MOS
USB Serial
CP2104
RXD
TXD
Internal I2C Connection
BM8563
SDA
SCL
Coreink-HY2.0 4P Port
EXT-PORT
G32/33
I2C
ESP32 ADC/DAC Mappable Pins
8 Channel
10 Channel
2 Channel
2 Channel
G32-39
G0/2/4/12-15/25-27
G25
G26
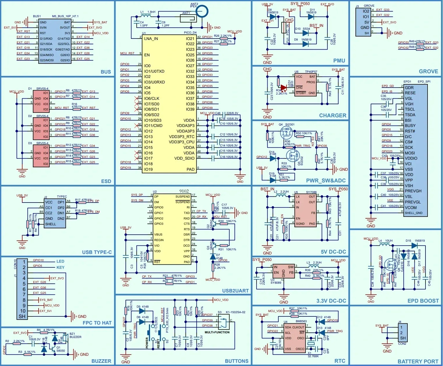
Schematic

Module Size

Last updated
Was this helpful?
